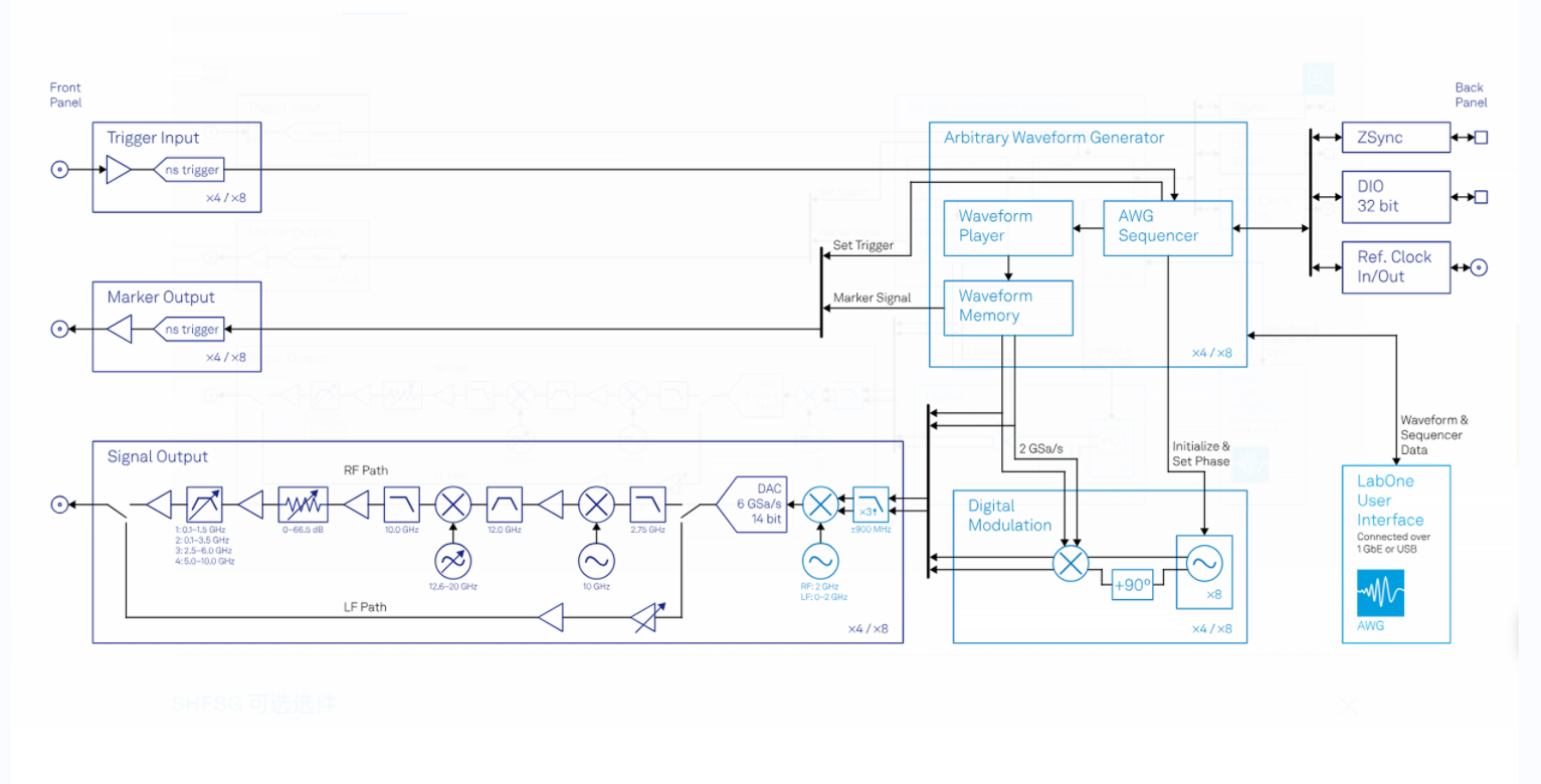
瑞士Zurich Instruments的SHFSG+任意波形發生器可以直接產生頻率范圍從DC到8.5GHz的量子比特控制信號,具有1GHz的無雜散調制帶寬。SHFSG+使用雙超外差技術進行頻率上變頻,無需混頻器校準并節省系統調校時間。每個SHFSG+帶有4或8個具有14位垂直分辨率的模擬輸出通道。SHFSG+可由LabOne、其API或LabOne Q軟件控制,支持不同規模的量子計算系統,從幾個量子比特到幾百個量子比特。
主要特點:
? 4或8個輸出通道,控制多達8個量子比特
? 在DC至8.5GHz頻率范圍,信號帶寬1GHz,無需混頻器校準
? 高保真門的低相位噪聲和低雜散音
? 無需外部放大,高輸出功率,可實現短門脈沖
? 6GSa/s 的14位輸出
? 可通過LabOne? Q軟件、LabOne或LabOne的Python、C、MATLAB?、LabVIEW?和.NET的API進行控制
可使用PQSC進行同步,多個SHFSG+可以在Zurich Instruments QCCS中組合以實現對多量子比特系統的控制。得益于先進的定序器、低延遲信號處理鏈和低相位噪聲頻率合成器,可以實現具有最小延遲和高保真度的多量子比特門操作。與用于量子比特實時讀取的SHFQA+量子分析儀一起,它們是集成了微波信號生成和分析功能的第二代儀器。
信號輸出 | |
射頻輸出數量 | 4(SHFSG-4 型號) |
8(SHFSG-8 型號) | |
頻率范圍 | 直流 - 8.5 GHz |
信號帶寬 | 1.0 GHz |
輸出范圍 (dBm) | -30 dBm 至 +10 dBm |
輸出阻抗 | 50 Ω |
合成器數量 | 4(兩種型號) |
數模轉換 | 14 位,6 GSa/s(內部 3x 插值后) |
輸出電平精度 | ±(1 dBm 的設置) |
標記和觸發器 | |
標記輸出 | 每個通道 1 個,前面板上有 SMA 輸出 |
標記輸出電壓 | 0 V(低)、3.3 V(高) |
標記輸出阻抗 | 50 Ω |
標記輸出上升時間 | 300 ps(20% 至 80%) |
觸發輸入 | 每個通道 1 個,前面板上的 SMA |
觸發輸入阻抗 | 50 Ω / 1 KΩ |
波形生成 | |
AWG 內核 | 每個通道 1 個 |
波形垂直分辨率 | 14 位模擬 + 2 位標記 |
波形記憶 | 每通道 98 kSa |
序列長度 | 每個 AWG 內核 32k 條指令 |
AWG 采樣率 | 2 GSa/s |
最小波形長度 | 32個點 |
一般的 | |
尺寸 | 449 x 460 x 145 mm(19 英寸機架) |
17.6 x 18.1 x 5.7 英寸 | |
重量 | 15 公斤(33 磅) |
電源供應 | 交流:100-240 V,50/60 Hz |
支持的時鐘頻率(外部或內部) | 10 MHz 或 100 MHz |
連接器 | 前面板和后面板的 SMA 用于觸發、信號和外部時鐘 |
32 位 DIO | |
1 ZSync | |
1 GbE | |
USB 3.0 | |
維護 USB | |
量子計算應用
? 相干操控單量子比特和多量子比特門
? 量子比特頻譜和表征
? 實時、低延遲和全局反饋的糾錯
支持的量子比特類型
? 超導量子比特
? 自旋量子比特/超導諧振腔混合體
? NV 色心
? Qubits、qutrits 和 ququads
