━ 可變增益從10到60 dB(x 3到x 1,000)
━ 直流帶寬為100或200 MHz,與選擇的增益設置無關
━ 直流漂移僅為0.3 μV /°C
━ 輸入噪聲2.3 nV /√Hz
━ 可切換的10或20 MHz低通濾波器,可將寬帶噪聲降至zui低
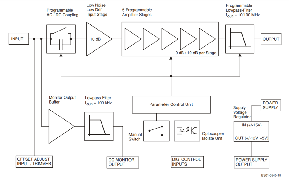
━ 本地和遠程控制
獲得獨立帶寬
普通可變增益放大器的帶寬通常隨著增益的增加而減小。因此,脈沖和快速信號的上升和下降時間將隨所選的增益設置而變化,從而使得準確甚至可靠的時間分辨測量變得困難甚至不可能。我們通過為創新型寬帶放大器開發復雜的寬帶設計概念來解決此問題。對于所有增益設置,帶寬和上升/下降時間在整個增益范圍內保持恒定在zui大偏差的±10%以內。
動態輸入范圍:10uV至300mV
FEMTO選擇的多級放大器設計避免了可編程衰減器或乘法放大器的缺點,在這些放大器中,動態受主放大級的噪聲和漂移性能限制。由于采用了復雜的多級設計,DHPVA系列同樣適用于幅度從大約100 μV到300 mV(動態范圍70 dB)的輸入信號。由于其DC穩定性,當應用信號平均時,動態范圍可以進一步擴大,從而提供10 μV至300 mV(90 dB)的有效可用信號范圍。
Model | DHPVA-101 | DHPVA-201 |
Lower Cut-Off Frequency | DC/10 Hz, switchable | DC/10 Hz, switchable |
Upper Cut-Off Frequency | 10/100 MHz, switchable | 20/200 MHz, switchable |
Gain Flatness [dB] | ±0.15 | ±0.15 |
Gain [dB] | 10/20/30/40/50/60, switchable | 10/20/30/40/50/60, switchable |
Input Noise Voltage | 2.3 nV/√Hz | 2.3 nV/√Hz |
Input Voltage Drift | 0.3 μV/°C | 0.3 μV/°C |
Input/Output | 50 Ω, BNC | 50 Ω, BNC |
Input Return Loss S11 | ?31 dB @ 100 MHz | ?22 dB @ 200 MHz |
Output Return Loss S22 | ?35 dB @ 100 MHz | ?30 dB @ 200 MHz |
Output Voltage (Power) | ±1 V (+10 dBm) | ±1 V (+10 dBm) |
Monitor Output | DC - 100 kHz | DC - 100 kHz |
Digital Control | TTL, CMOS, opto-isolated | TTL, CMOS, opto-isolated |
偏置電壓可通過微調電位器或外部控制電壓進行調整。通過 LED 指示所選增益設置。輸出具有短路保護功能。電源通過 3 針 Lemo? 插座供電,設備附帶一個配套連接器??蛇x配 PS-15 電源系列。
新改進的型號 DHPVA-101 和 DHPVA-201 替代了之前的 DHPVA-100 和 DHPVA-200。它們完全兼容,提供至少相同或更優的電氣性能。如果提供足夠的替代冷卻方式,例如將放大器安裝到足夠大的機箱/機架系統上,則散熱片可以拆除。
━ 示波器和瞬態記錄儀前置放大器
━ 光電倍增放大器
━ 用于光接收器和電流放大器的信號增強器
━ 時間分辨脈沖和瞬態測量
━ 自動化測量系統
